Autor Thema: Trennschalter für mehrere Akkus  (Gelesen 4698 mal)

Offline Delight

  • Barsch
  • ***
  • Beiträge: 319
  • My/Mein Echo Equipment: HDS-12 Live, HDS-9 Carbon, AI 3in1, Airmar TM150, Motorguide Xi5, Yamaha 40, NMEA Netzwerk
Trennschalter für mehrere Akkus
« am: 28 Mai 2022, 07:48:12 »
In Kürze möchte ich einen Generalschalter in mein Boot einbauen. Nun frage ich mich, wie man das mit drei Akkus verlegt, bzw. sie so verbindet, dass alle Vesrorger gleichzeitig gekappt bzw. zugeschaltet werden. Alle 3 Akkus müssen seperat geladen werden.
 
Was ich dazu im Netz finden konnte, sieht nach Planung und Ergebnis des Flughafens BER aus... :schock:

Offline Stöpsel

  • Hecht
  • ****
  • Beiträge: 837
  • My/Mein Echo Equipment: Simrad GO7 XSE mit TotalScan-Geber und Navionics+ Karte, Lowrance Mark5X Pro mit 83-200-Geber, ein 500g-Senklot mit 100 Meter Maurerschnur
Re: Trennschalter für mehrere Akkus
« Antwort #1 am: 28 Mai 2022, 09:39:07 »
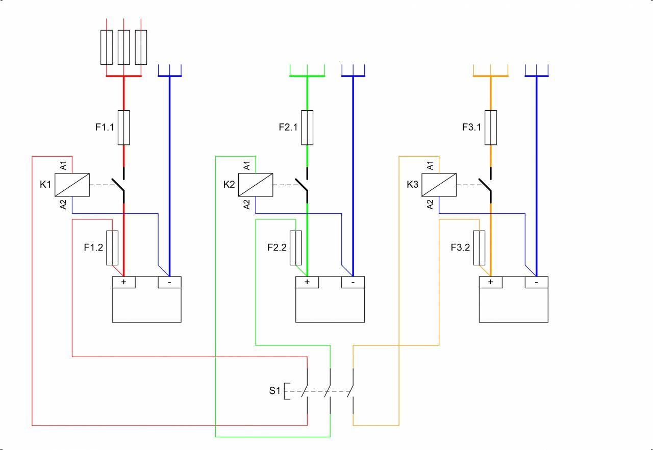
Aus elektrischer Sicht ist dies eigentlich gar nicht so schwierig. Wenn sich alle Akkus nah beieinander befinden und in diesem Bereich auch der Schalter montiert werden kann bzw. soll, könnte man einen mehrpoligen Lastschalter verwenden.
Du hattest jedoch, wenn ich mich recht erinnere, die Akkus an verschiedenen Stellen im Boot verteilt und evtl. möchtest Du lieber einen kleinen Schalter an zentraler Stelle einsetzen und nicht alle "dicken" Kabel über lange Strecken zum Hauptschalter verlegen? Dann wäre es eine Möglichkeit, Relais und einen Steuerschalter einzusetzen und es müssen nur dünne Steuerleitungen verlegt werden.

Das Prinzip mit Relais würde dann so aussehen:
(Die Sicherungen FX.1 könnten auch vor den Relaiskontakten angeordnet sein.)


Offline Luke

  • Administrator
  • *****
  • Beiträge: 9285
  • Luke Rheinwalker
    • My/Mein Tackle Equipment: Speedmaster, Beastmaster, Pezon et Michel, Viento, Twin Power, Stradic und anderes.
  • My/Mein Echo Equipment: HDS-9 Carbon, Elite-12 TI, HOOK2-7 HDI(SS), HDS-7 G3, HDS-7 G2T, Elite-7 Chirp, Motorguide Xi5, Humminbird ASGRHA, Raymarine Dragonfly-5Pro, ReefMaster
Re: Trennschalter für mehrere Akkus
« Antwort #2 am: 28 Mai 2022, 11:08:17 »
Klasse Stöpsel  :freude:

Man könnte auch die Erregerspannung A1/A2 für die Relais auch aus einer Quelle Speisen,
das würde es für Delight vielleicht einfacher ausschauen und nur einen einfachen einpoligen Schalter,
vielleicht einen Schlüsselschalter/Knebelschalter benötigen?

Generell muss man aufpassen welche Ströme über die Relais gehen sollen,
das Relais muss zu den Verbrauchern passen.

Alternativ wäre natürlich eine Auswertung der gelben Signalleitungen aus den HDS Geräten eine Idee.
Leider weiß ich gerade nicht mehr genau wie die zu nutzen waren.

Ich meine mich zu erinnern das sie keinen hohen Strom vertragen,
also ein normales Relais vielleicht schon zu viel zieht,

Und ich habe dunkel in Erinenrung das die vielleicht nicht wirklich einen
Spannungs/Strom-ausgang darstellen sondern nur einen Wechsel der Spannung
erzeugen den andere Geräte erkennen und sich einschalten,...da war doch irgend etwas...????


Und dann wäre noch der Einsatz von drei Knebelschaltern direkt in der Nähe er Akkus.
Das ist dann zwar kein Generalschalter für alles wie Delight es möchte,
aber eben für jeden einzelnen AKKU-Kreis getrennt.

Und das NMEA z.B. wird ja auch eh nur aus einer Quelle gespeist.

Knebelschalter sind günstig einfach anzuklemmen und haben
auch keine Probleme mit hohen Strömen wie z.B. beim E-Motor.

Es gibt auch noch weitaus mehr Ideen diverse Szenarien abzubilden.

Z.B. eine kleine Schaltung die das automatisiert macht.


Was ich mir als einfachste Lösung vorstelle:

Am ersten Akku, der welcher den größten Strom liefern muss (E-Motor),
einen roten Knebelschalter und dessen Ausgang ist die Erregerspannung A1/A2
für die zwei Relais bei den anderen beiden Akkus.
Dabei muss man nur aufpassen das es tatsächlich Potentialfreie Relais/Schaltkontakte sind.
Gerade bei KFZ Relais die man vielleicht von früher in der Garage
herumliegen hat  rofl kann man da angehen weil sie "anders" sind. :fiesgrins:

Und und und.... viele Wege führen nach Rom.

Grüße
Luke

Offline Stöpsel

  • Hecht
  • ****
  • Beiträge: 837
  • My/Mein Echo Equipment: Simrad GO7 XSE mit TotalScan-Geber und Navionics+ Karte, Lowrance Mark5X Pro mit 83-200-Geber, ein 500g-Senklot mit 100 Meter Maurerschnur
Re: Trennschalter für mehrere Akkus
« Antwort #3 am: 28 Mai 2022, 11:26:53 »
Man könnte auch die Erregerspannung A1/A2 für die Relais auch aus einer Quelle Speisen,
das würde es für Delight vielleicht einfacher ausschauen und nur einen einfachen einpoligen Schalter,
vielleicht einen Schlüsselschalter/Knebelschalter benötigen?

Die Nutzung nur einer Spannungsquelle habe ich absichtlich nicht vorgesehen, da es ja sein kann, dass mal ein Akku (ausgerechnet selbiger, welcher die Steuerspannung liefert) leer ist oder vorübergehend ausgebaut wurde und dennoch am Boot etwas z.B. bei Test`s o.ä. elektrisch betrieben werden soll. Dann müsste man wieder zusätzlich einen Umschalter einbauen, um auf Akku 2 umschalten zu können.

Offline Luke

  • Administrator
  • *****
  • Beiträge: 9285
  • Luke Rheinwalker
    • My/Mein Tackle Equipment: Speedmaster, Beastmaster, Pezon et Michel, Viento, Twin Power, Stradic und anderes.
  • My/Mein Echo Equipment: HDS-9 Carbon, Elite-12 TI, HOOK2-7 HDI(SS), HDS-7 G3, HDS-7 G2T, Elite-7 Chirp, Motorguide Xi5, Humminbird ASGRHA, Raymarine Dragonfly-5Pro, ReefMaster
Re: Trennschalter für mehrere Akkus
« Antwort #4 am: 28 Mai 2022, 11:31:05 »
Die Nutzung nur einer Spannungsquelle habe ich absichtlich nicht vorgesehen, da es ja sein kann, dass mal ein Akku (ausgerechnet selbiger, welcher die Steuerspannung liefert) leer ist oder vorübergehend ausgebaut wurde und dennoch am Boot etwas z.B. bei Test`s o.ä. elektrisch betrieben werden soll. Dann müsste man wieder zusätzlich einen Umschalter einbauen, um auf Akku 2 umschalten zu können.

So ist bei einem Ausfall eines Akkus keiner der beiden anderen betroffen!
Sehr guter Fakt!  :freude:

Grüße
Luke

Offline Delight

  • Barsch
  • ***
  • Beiträge: 319
  • My/Mein Echo Equipment: HDS-12 Live, HDS-9 Carbon, AI 3in1, Airmar TM150, Motorguide Xi5, Yamaha 40, NMEA Netzwerk
Re: Trennschalter für mehrere Akkus
« Antwort #5 am: 29 Mai 2022, 08:07:32 »
Diese Lösungen finde ich gut. Für die Ausführung werde ich einen Elektriker dazu holen, die technische Zeichnung und eure Beschreibungen vorlegen.

Danke euch beiden  :freude:

Offline Stöpsel

  • Hecht
  • ****
  • Beiträge: 837
  • My/Mein Echo Equipment: Simrad GO7 XSE mit TotalScan-Geber und Navionics+ Karte, Lowrance Mark5X Pro mit 83-200-Geber, ein 500g-Senklot mit 100 Meter Maurerschnur
Re: Trennschalter für mehrere Akkus
« Antwort #6 am: 29 Mai 2022, 09:54:35 »
Von Blue Sea Systems gibt es solche Relais (fernsteuerbare Batterieschalter), welche zudem einen Schalter für manuelle Betätigung besitzen, was ganz praktisch sein kann.
Es gibt sie als bistabile (ähnlich Stromstoßschalter) und als normale Variante.
https://www.google.de/search?q=bluesea_ML-Remote_Battery_Switches
In Deutschland werden sie von verschiedenen Anbietern bzw. Händlern unter variierenden Bezeichnungen angeboten (findest Du im Netz).
Du könntest mal schauen, ob diese Teile für Dich in Frage kommen, also von der Größe her Platz finden würden und finanziell machbar sind, denn sie sind nicht gerade preiswert.
https://www.google.de/search?q=batterietrennschalter+fernsteuerbar&ei=fCaTYqObHNOSxc8P_NyNmAc&ved=0ahUKEwijyYKwnYT4AhVTSfEDHXxuA3MQ4dUDCA0&uact=5&oq=batterietrennschalter+fernsteuerbar&gs_lcp=Cgdnd3Mtd2l6EAMyBQghEKABOgcIABBHELADOgcIIRAKEKABSgQIQRgASgQIRhgAUKoEWPESYPUcaAFwAXgAgAG1AYgBuwmSAQMwLjmYAQCgAQHIAQjAAQE&sclient=gws-wiz

Wenn für Dich eine Schaltung in Frage kommt, wo als Steuerspannung nur ein Akku genutzt werden soll, weil z.B. die Hauptbatterie immer an Bord sein wird und Du zudem über die Möglichkeit der manuellen Betätigung der einzelnen Relais verfügen wirst, kann ich Dir bei Bedarf noch das Schaltbild für diese Variante nachliefern.