Die Montage vom Echolotgeber ist sicher nie eine einfache Sache.
Nicht nur die optimale Position ist äusserst wichtig.
Auch bei der direkten Befestigung am Bootsheck treten des Öfteren Probleme auf.
Ein fest montierter
Geber wird zwingendermassen zu einem Schmutzfänger und
lässt sich zusammen mit den Kabelverbindungen nicht ohne weiteres reinigen.
So liegt es sehr nahe, einen Weg zu suchen, den Echolotgeber so zu montieren,
dass er schnell und unkompliziert und ohne grossen Aufwand schnell entfernt
und montiert werden kann.
Diese Tatsache und verschiedene Tipps von Mitarbeitern meiner Bootswerft haben
mich zu einer Schnell-Montage-Lösung geführt. Das Ziel war, dass der/die
Echolotgeber demontierbar sein sollen.
Insbesondere bei Fischerbooten die im Winter im Wasser liegen und zum Teil mit
Eis umgeben sind, ist es ein grosser Vorteil, wenn der Geber nicht im Wasser (Eis)
überwintern muss. Auch eine bessere Reinigung des Gebers und der
Montageposition ist mit einer Schnellmontage gegeben.
Zu beachten ist jedoch, dass insbesondere der Airmar TM150 Geber
auf keinen Fall ausserhalb des Wassers betrieben werden darf.
Aber auch andere Geber werden durch längeren „Trockenbetrieb“ beschädigt.
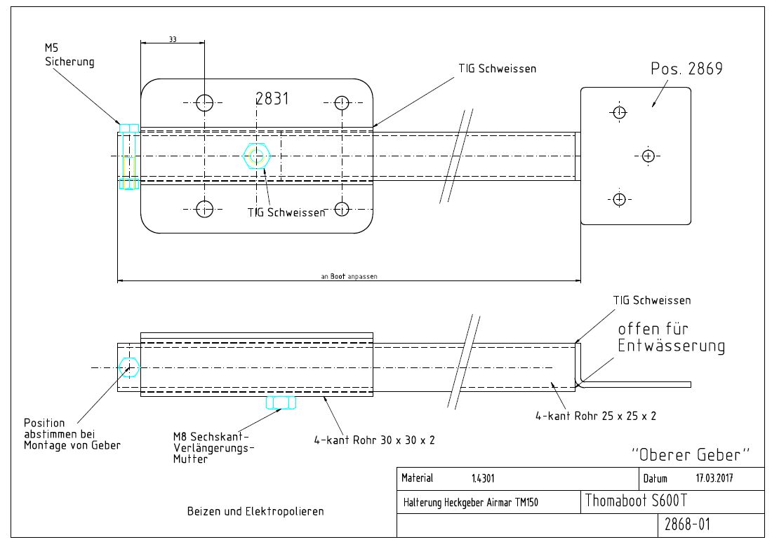
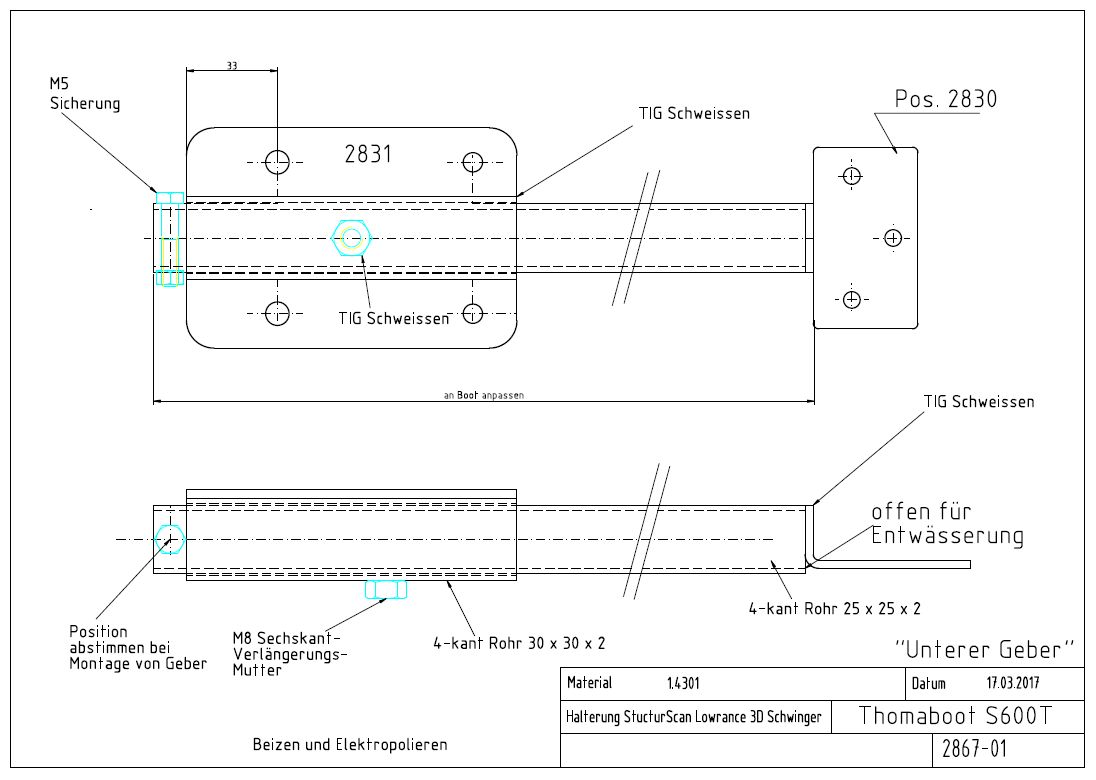
Die nachfolgenden Abbildungen zeigen meine Gebermontage.
Sowohl der Airmar TM150 (Tiefe und Temperatur) als auch der StrucureScan
Lowrance 3D-Geber sind mittels Flansch an einem 4-kant Rohr 25/25 x 2 aus
rostfreiem Stahl befestigt. Das 4-kant Rohr wiederum wird in einem passenden,
an das Bootsheck (Spiegel) geflanschten 4-kant Rohr 30/30 x 2 geführt.
Der/die Geber können so in der Höhe ohne Aufwand verstellt werden oder gänzlich
aus dem Wasser gezogen- und mittels Klemmschraube fixiert werden. Gegen unten
bildet eine Schraube einen Anschlag für die exakte Geberposition im Sonar-Betrieb.
Die abgebildeten Montagemasse sind für mein Fischerboot und müssen für einen
anderen Verwendungszweck entsprechend angepasst werden. Wenn ihr euch solche
Halterungen zulegen möchtet, achtet unbedingt darauf, dass die Schweissnähte
poliert sind. Wird das nicht gemacht, rosten diese, auch wenn die Teile aus rostfreiem
Stahl gefertigt wurden. Am besten wird die ganze Konstruktion vor der Montage
gebeizt und elektropoliert. Bei Interesse kann ich gerne die verschiedenen
Zeichnungen als PDF oder auch als *.dxf Files zur Verfügung stellen.
Ihr könnt dann die für euer Equipment nötigen Anpassungen durchführen.
Hier ein paar Bilder zur Veranschaulichung:


